浙江太阳成集团tyc122cc入口液压科技股份有限公司
太阳成集团tyc122cc入口液压产品覆盖工程、农业、矿山、工业、环保和军工等各类车辆配套的液压阀、油缸

手机版 微官网 English


销售热线

技术热线:0576-85183757


多路阀系列

所在位置:首页 液压产品 > 多路阀系列 >


关键词:多路阀系列先导阀系列制动阀系列操纵阀系列农机阀系列转向阀系列

>

产品分类 Product Lists

全国服务热线:

0576-85182037

产品样册下载

销售电话:0576-85182037
技术电话:0576-85183757
传真号码:0576-85182843
联系邮箱:haihong@cn-hydraulic.com
公司地址:浙江省临海市江南街道金岭路199号


产品特点

  • 6通片式多路阀;

    紧凑的片式结构,可针对不同机器的需要组合相应的控制阀组;

    控制方式:手动、液控;

    并联回路、串并联回路;

  • 多路阀结构紧凑,体积小巧,安装空间要求低,压力损失小;

    通过一次二次溢流阀保护系统;

    内泄漏小,有进油单向阀以防油液倒流,克服执行机构“点头”现象。


应用领域

应用微型挖掘机等工程机械。

技术参数(对超出下述参数的应用场合,请与我公司联系)

概述

通径

15mm

公称压力

200bar

最大压力

280bar

公称流量

63L/min

最大流量

80L/min

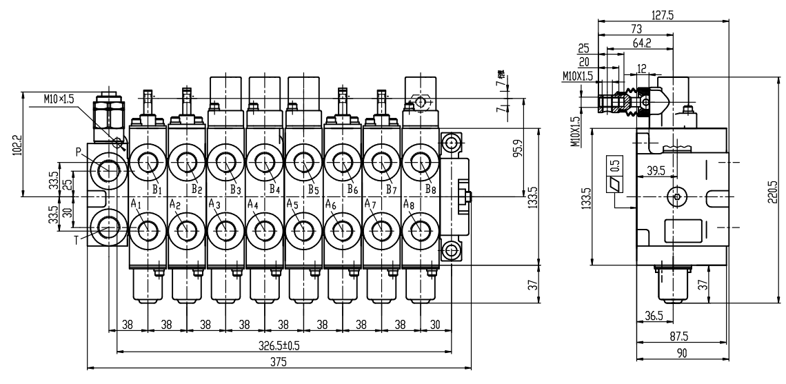
外形安装尺寸及原理图

9

10

11

应用说明

该系列WJ15WY多路阀应用于微型挖掘机,进油采用串并联结构,动作联可根据需求增加或减少。进油联上有主溢流阀,保护系统压力不超过设定值,动作联上可装二次溢流阀,保护油缸。阀杆机能可用O或Y型,控制机能可手动、可液控,复位机构可用弹簧,亦可用钢球定位。

相关产品



太阳成集团tyc122cc入口液压

销售热线:0576-85182037


技术热线:0576-85183757   传真号码:0576-85182843
联系邮箱:haihong@cn-hydraulic.com   公司地址:浙江省临海市江南街道金岭路199号

友情链接: 多路阀系列 先导阀系列 制动阀系列 操纵阀系列 农机阀系列 转向阀系列 Sitemap TXT Sitemap XML 网站地图

微信二维码
微信官网

手机端二维码
手机官网